Warenkorb
- Home
- Sale
-
Regalsysteme
-
Kipper & Behälter
Ausgewählte ProdukteKompakt-Kippbehälter-Set 500€ 2.039,66Minikipper BARTELS - Traglast 200 kg€ 1.051,96Spänebehälter aus Stahlblech€ 1.185,24Transport- und Lagerbehälter€ 6,90
- Transport
- Stapeln & Heben
- Lager & Werkstatt
- Kontakt
Deutsch
EUR €
Ihre Ansprechpartner
Olivia Eggers
Sascha Achenbach
Ihre Vorteile
- Verbleiben an Maschinen, Gestellen, Geräten und vielem mehr
- Sicherer Stand auf solidem Fuß
- Leichtes Verrollen auf robusten Lenkrädern
- Müheloses Nivellieren bei unebenen Böden möglich
Ausführung
- Traglast 50, 250, 500, 750 oder 1.500 kg
- Alu-Guss Gehäuse
- Mit Mittelgewindebohrung
- Deckplatte aus Stahl
- Fuß Alu-Kern mit Gummimantel
- Räder aus Nylon
- Befestigungsmaterial im Lieferumfang enthalten
- Maximaler Neigungswinkel 11°
- Hebe- und Senkfunktion erfolgt über Stellrad
- Keine weiteren Spezialgeräte beim Versetzen nötig
- Die Produkte werden unter Einhaltung der RoHS Bedingungen 2002/95/EC und 2003/11/EC hergestellt
Funktion
Maschinenfuß eingezogen
- Lenkrad frei zum Verrollen
Maschinenfuß ausgefahren
- Maschine steht fest auf dem Boden
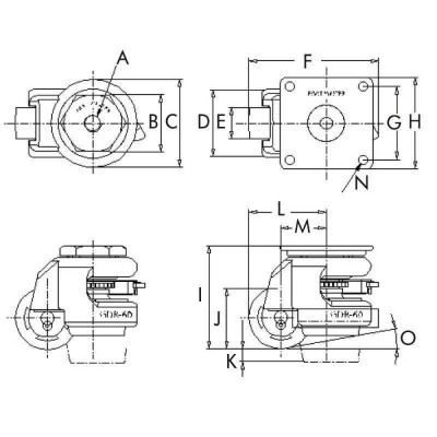
Beschreibung
Die Foot Master Heberollen eignen sich zum Verrollen, Lenken, Festsetzen und Nivellieren. In kürzester Zeit lässt sich aus einem leicht lenkenden Fuß ein solider Fuß machen.
Der Fuß wird mittels einer Kunststoff- oder Stahlmutter manuell mit einem handelsüblichen Maulschlüssel ein- oder ausgefahren.
- Traglast
- 50 - 1.500 kg
- Gewicht
- 0,4 - 1,9 kg
- Geeignet für
- verfahren von Maschinen
- Rollenmaterial
- Nylon
- Rollendurchmesser
- 40 - 75 mm
Neu
4260514340023
360.950
| Farbe | schwarz | schwarz | grau | grau | grau | grau | grau | schwarz | |
| Traglast | kg | 50 | 250 | 50 | 250 | 500 | 750 | 1.000 | 500 |
| Hub | mm | 10 | 10 | 10 | 10 | 15 | 12 | 12 | 15 |
| Maße L x B x H | mm | 84 x 58 x 71 | 101 x 70 x 82 | 84 x 85 x 71 | 101 x 70 x 82 | 125 x 85 x 102 | 142,5 x 98 x 120 | 141,5 x 100 x 120 | 125 x 85 x 102 |
| Laufräder Ø | mm | 42 x 20 | 50 x 25 | 42 x 20 | 50 x 25 | 63 x 30 | 75 x 30 | 75 x 33 | 63 x 30 |
| Eigengewicht | kg | 0,4 | 0,8 | 0,4 | 0,8 | 1,4 | 1,9 | 2,1 | 1,4 |
| Typ | JGDN 40Ss | JGDN 60S | JGDN 40S | JGDN 60S | JGDN 80S | JGDN 100S | JGDN 120S | JGDN 80Ss | |
| Artikel-Nr. | 360.940 | 360.941 | 360.950 | 360.951 | 360.953 | 360.955 | 360.957 | 360.960 |
Angesehene Artikel
12 andere Artikel in der gleichen Kategorie:
Räder & Rollen
Heberolle mit Nivellierrad - Stift
Räder & Rollen
Vollgummi-Elastik-Rollen - Wicke
Räder & Rollen
TPE-ESD-Rollen - FETRA
Räder & Rollen
Polyamid-Rollen, schwere Ausführung - Wicke
Räder & Rollen
Luftrollen FETRA
Räder & Rollen
Heberolle - Lauffläche aus Polyurethan
Räder & Rollen
Heberollen FOOT MASTER® - Ratschenausführung
Räder & Rollen
Heberolle - Lauffläche aus Kunststoff
Räder & Rollen
Heberollen FOOT MASTER® JGDR - Traglast 250 kg
Räder & Rollen



